異步電動機速度繼電器反接制動控制電路-上海上繼科技有限公司
發表時間:2023-11-14 13:46 瀏覽次數:1310 〖返回〗異步電動機速度繼電器反接制動控制電路

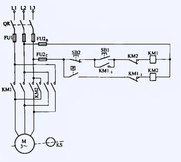
今天介紹一下通過速度繼電器控制異步電動機反接制動的控制電路。

我們看到的KS為速度繼電器感應體與其常開觸點。

啟動電路時,接觸器K M1自鎖,并斷開常閉觸點,以切斷反轉接觸器K M2。

電機運行時,當轉速超過每分鐘120轉時,速度繼電器常開觸點閉合。為反轉制動做準備。

按下停止按鈕后,接觸器K M2接通,電機反轉制動。當轉速低于每分鐘120轉時,速度繼電器常開觸點斷開。
公司介紹:上海上繼科技有限公司是一家專業從事電力系統繼電保護及智能電網電力自動化產品的研發、設計、生產、銷售和服務為一體的高科技公司。擁有資深繼電保護專家團隊和國內**的檢測儀器及校驗設備。同時還引用國內外先進技術,來進行技術創新。本公司的產品廣泛用于電力、工礦、鐵路、建筑等國家重大工程輸配變電系統上,產品遠銷東南亞及中東地區。產品通過國家繼電保護及自動化設備質量監督檢驗中心檢測,獲得ISO9001國際質量體系認證?!翱萍紕撔拢\信務實”是公司的經營理念,本公司以高超的技術支持和對用戶高度負責的售后服務贏得了輸配電成套企業的信賴,且樹立了良好的信譽。
公司主營:繼電器(時間繼電器,電壓繼電器,電流繼電器,中間繼電器,信號繼電器,閃光繼電器,沖擊繼電器,同步檢查繼電器,接地繼電器,差動繼電器,重合閘繼電器,絕緣監視繼電器,雙位置繼電器,模數化繼電器),智能操控裝置,微機保護裝置,電力儀表
上海上繼科技有限公司(專注電力保護繼電器生產廠家)銷售熱線:021-57233089 QQ:1932551438
{以上內容僅供參考,上海上繼科技有限公司有最終解釋權}
更多繼電器精彩文章——24V直流繼電器的應用與維護指南





